PCB Connector-SocketST1DC-381
ST1DC-381

3.81mm,300V,8A

Basic Information
Approval

UL认证.png     CE认证.png

Category
PCB Connector-Socket
ModelST1DC-381
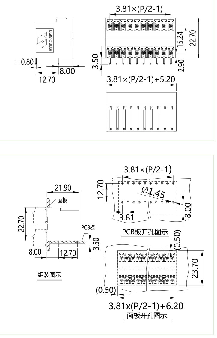
Pitch3.81mm
Poles2x02P~2x24P
Plug-in directionplug-in direction parallel to the PCB
ColorGreen
Main Technical Parameters
Pitch[mm]3.81
PCB hole diameter[mm]1.45
Pin dimensions[mm]x[mm]0.8x0.8
Technical data in accordance with IEC/DIN and VDE
Insulation materialgroup I/lll
Surge voltagecategory/contamination classIII/3  III/2  II/2
Rated voltage[V]160  160  250
Rated surge voltage[kV]2.5   2.5  2.5
Rated current[A]8
Maximum load current[A]8
Insulating materialPA/PBT
Inflammability class in acc.with UL 94V0
Approva ldata(UL/CUL and CSA)
Rated voltage/Rated current  UL/CUL:[V]/[A]300/8
                                  CSA:[V]/[A]300/8
Fixing screws
for header with threaded flange,header must be screwed before soldering
Accessory Products

ST1DC-381图纸.jpg

Related products

Joinect provides samples for user experience

PCB Connector-SocketST1DC-381

ST1DC-381

x