PCB Connector-SocketSMTC-508
SMTC-508

5.08mm,300V,10A

Basic Information
Approval

CE认证.png

Category
PCB Connector-Socket
ModelSMTC-508
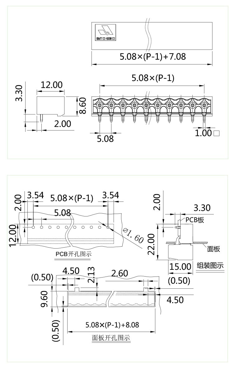
Pitch5.08mm
Poles02P~24P
Plug-in directionplug-in direction parallel to the PCB(reverse)
ColorGreen
Main Technical Parameters
Pitch[mm]5.08
PCB hole diameter[mm]1.6
Pin dimensions[mm]x[mm]1x1
Technical data in accordance with IEC/DIN and VDE
Insulation materialgroupI/lll
Surge voltagecategory/contamination classIII/3  III/2  II/2
Rated voltage[V]320  320  630
Rated surge voltage[kV]4      4     4
Rated current[A]12
Maximum load current[A]12
Insulating materialPA/PBT
Inflammability class in acc.with UL 94V0
Approva ldata(UL/CUL and CSA)
Rated voltage/Rated current  UL/CUL:[V]/[A]300/10
                                  CSA:[V]/[A]300/10
Fixing screws
for header with threaded flange,header must be screwed before soldering
Accessory Products

SMTC-508图纸.jpg

Related products

Joinect provides samples for user experience

PCB Connector-SocketSMTC-508

SMTC-508

x