PCB Connector-PlugPGF-762N
PGF-762N

7.62mm,300V,10A

Basic Information
Approval

CE认证.png

Category
PCB Connector-Plug
ModelPGF-762N
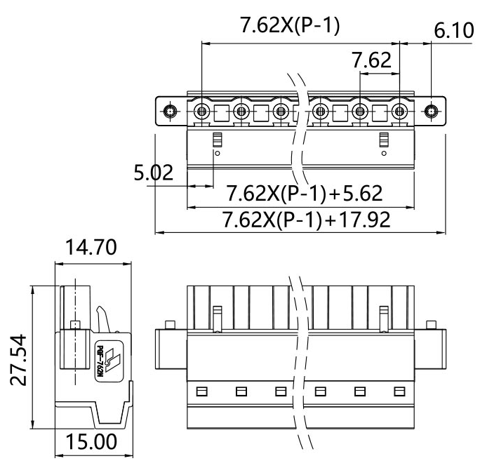
Pitch7.62mm
Poles02P~12P
Plug-in directionPlug-in direction parallel to the conductor axis
ColorGreen
Main Technical Parameters
Pitch[mm]7.62
Technical data in accordance with IEC/DIN and VDE
Insulation materialgroup I
Surge voltagecategory/contamination classIII/3  III/2  II/2
Rated voltage[V]400  630  1000
Rated surge voltage[kV]6      6      6
Rated current/Cross section[A]/[mm²]12/2.5
Maximum load current/Cross section[A]/[mm²]12/2.5
Capacity connection
Rigid/flexible conductor/conductor sizes[mm²]/[mm²]/AWG0.2-2.5/0.2-2.5/24-12
Flexible conductors with cold pressing tip  with/without plastic sleeve0.25-2.5/0.25-2.5
Multiple connection(2 conductors with same cross section)
Rigid/flexible conductor[mm²]0.2-1.5/0.2-1.5
Stranded with ferrule without/with plastic sleeve[mm²]0.25-1
Stranded with ferrule with plastic sleeve[mm²]0.5-1
Stripping length[mm]10
Internal cylindrical gauge(IEC 60 947-1)A3
ThreadM2.5
Torque[Nm]0.4-0.45
Insulating materialPA
Inflammability class in acc.with UL 94V0
Approva ldata(UL/CUL and CSA)
Rated voltage/Rated current/conductor sizes  UL/CUL:[V]/[A]/AWG300/10/30-12
                                             CSA:[V]/[A]/AWG300/12/22-12
Accessory Products

pgf-762图纸.png

Related products

Joinect provides samples for user experience

PCB Connector-PlugPGF-762N

PGF-762N

x